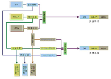
作者:马莲 广东省电信规划设计院综合通信设计所 【摘要】文章首先对WCDMA与GSM共享室内分布系统的可行性进行了分析,然后提出了相关设计指标的建议值和典型的设计方案,对时下正热门的2G/3G共享室内分布系统的设计具有一定的参考意义。 【关键词】GSMWCDMA共享室内分布系统 1 引言 截至2005年8月底,我国移动用户数已达到3.73亿,占全球移动用户总数的20%以上。与此同时,尽管中国3G牌照发放形式、数量和时间表仍然扑朔迷离,但是3G的脚步已越来越近却是勿庸置疑的。 根据NTTDoCoMo3G运营统计数据:70%的话务发生在室内;且3G带来的高级业务也绝大多发生在室内。所以3G室内覆盖将是3G运营商品牌形象的重要体现,同时也是3G运营商吸引用户的重要手段。 GSM/WCDMA共享室内分布系统,作为一种既可以节省投资又能够快速建网的3G室内覆盖建设方法,时下正成为3G网络建设研究的一大热点。 2 可行性分析 多系统共享室内分布系统是指在2G、3G等多系统共存的室内覆盖中采用宽频合路器等手段来实现室内分布天馈部分的共享。 2.1GSM/WCDMA共享室内分布系统存在的主要问题 引入合路器,以及共享天馈线系统会带来一些问题: (1)无源器件问题 在GSM/WCDMA共享室内分布系统中,所有无源器件工作频率必须要涵盖GSM和WCDMA工作频段。 (2)有源器件问题 由于不同制式系统工作方式不同,且存在相互干扰的可能,因此有源器件部分无法共用。在GSM/WCDMA共享室内分布系统中,各系统间有源器件需相互独立。 (3)功率损耗差异问题 在GSM/WCDMA共享室内分布系统中,由于GSM、WCDMA工作频段不同,无论是在天馈线还是在自由空间传输时都存在功率传输损耗差异。 (4)合路器插损问题 在GSM/WCDMA共享室内分布系统中,由于系统合路时必须在天馈系统中插入双频或多频合路器,该器件接入将造成一定的信号功率的损耗。 (5)系统间相互干扰问题 在多系统共享室内分布系统中,边带、杂散、互调等噪声都会引起多系统间的相互干扰。同样,在GSM/WCDMA共享的室内分布系统中也必然存在相互的干扰,能否将干扰控制在一个可以接受的程度内从而使得各系统协调共存至关重要。 2.2GSM/WCDMA共享室内分布系统的可行性分析 针对以上所述的问题,下面逐条进行可行性分析: (1)无源器件问题 在GSM/WCDMA共享室内分布系统中,GSM900使用的频段为上行890MHz~915MHz,下行935MHz~960MHz;GSM1800使用的频段为上行1710MHz~1785MHz,下行1805MHz~1880MHz;WCDMA使用的频段为上行1920MHz~1980MHz,下行2110MHz~2170MHz。因此,系统所用室内天线及无源器件工作频带必须涵盖800MHz~2500MHz。目前,大多数厂家都能提供。已有GSM室内分布系统的无源器件如果不支持多系统的工作频带,在引入WCDMA系统时,必须对原有室内分布系统进行改造,将无源器件更换为宽频器件。 (2)有源器件问题 在GSM/WCDMA共享室内分布系统中,有源器件主要指的是干线放大器。对于有源器件无法共用的问题,一般有两种方法来解决。 第一种:通过增加多个宽频合路器(同时也可以做分路器)的方法规避,如图1所示: 图1 增加合路器法规避有源器件的共用 这种方法首先使用宽频合路器把信号分开(对于下行是分路,对于上行是合路),通过各自的放大器进行信号放大,然后再通过宽频合路器进行合路(对于下行是合路,对于上行是分路),从而避免了有源器件的共用问题。 第二种:通过调整共享接入点的方法规避,如图2所示: 图2 调整共享接入点法规避有源器件的共用 这种方法通过调整GSM/WCDMA共享接入点,即在各系统的干线放大器之后合路,使得不同的系统分别独立地的进行信号放大,从而避免了有源器件的共用。 (3)功率损耗差异问题 在GSM/WCDMA共享室内分布系统中,可以根据实际情况,通过对信号源与干线放大器的功率调整,以及精心选择共享接入点,保证各系统的边缘场强要求。 (4)合路器插损问题 在GSM/WCDMA共享室内分布系统中,合路器插损问题可以与功率设计问题联合考虑,一般可以通过调整天馈系统的输入信号电平弥补。 (5)系统间相互干扰问题 在GSM/WCDMA共享室内分布系统中,由于两个系统的工作频带间隔较远,边带噪声的影响可以不考虑;另一方面,由于实际系统中很难将互调噪声和杂散噪声严格区分,按照惯例,这里将互调也归入到杂散噪声一类。 对于杂散干扰,需要采用满足隔离度要求的合路器来解决。根据3GPP协议要求,WCDMA系统对GSM系统隔离度达到30dB以上时,WCDMA系统不会对GSM系统产生干扰;而根据3GPP规定的GSM系统的杂散辐射限值,可计算得到GSM系统对WCDMA系统的隔离度要求则为≥90dB。这个结果是完全按照协议规定的指标计算出来的,但测试结果表明:在杂散指标上实际设备均有较大的余量M(典型值为30dB)。因此,工程中GSM系统对WCDMA系统的隔离度要求为(90-M)dB。 根据以上分析,在GSM/WCDMA共享室内分布系统中,合路器的隔离度要求为(90-M)dB。如上面所说,余量M典型值为30dB,所以GSM/WCDMA共享室内分布系统中合路器的隔离度要求的典型值为60dB。在GSM/WCDMA的频率间隔内,实现隔离度为60dB同时保证较小的带内插损(≤0.6dB)的合路器是不难做到的。目前大多数厂家都能提供GSM900/WCDMA端口间隔离度≥80dB,GSM1800/WCDMA端口间隔离度60dB的合路器。而当余量M小于30dB,对合路器的隔离度要求有所提高,以至于这样的合路器难以实现或成本过高时,也可以考虑在GSM设备输出端口增加带限滤波器以满足整体的隔离度要求。 综上分析可知:GSM/WCDMA共享室内分布系统在前文所述的无源器件工作频率、有源器件共用、功率损耗差异、合路器插损、系统间相互干扰等问题上都可以得到解决,因此GSM/WCDMA共享室内分布系统是可行的。 3 系统设计 3.1WCDMA与GSM室内分布系统比较 WCDMA与GSM室内分布系统比较如表1至表5所示: 3.2WCDMA室内分布系统工程技术指标建议 (1)一般区域导频功率≥90dBm,导频EC/IO≥-12dBm(50%负载); (2)重点区域导频功率≥-85dBm,导频EC/IO≥-8dBm(数据业务或语音密集区域); (3)电梯或地下室区域导频功率≥-100dBm,导频EC/IO≥-15dBm(数据业务或语音密集区域); (4)外泄电平:室外10米处导频功率≤-95dBm; (5)用户业务模型 话音业务12.2k:忙时每用户0.02Erl; 数据(分组)业务64k:忙时每用户0.002Erl; 分组业务忙时下行链路每用户数据吞吐量为250bps,上行链路每用户数据吞吐量为62.5bps; (6)无线信道呼损率取定为2%;中继电路呼损率取定为0.5%; (7)统计指标:掉话率≤1.5%,呼叫建立成功率≥94%,切换成功率≥94%。 3.3GSM/WCDMA共享室内分布系统设计 (1)GSM/WCDMA共享室内分布系统设计的总体原则 ◆性能优先 确保原有GSM网络在改造后能达到覆盖效果; 确保原有网络在改造后不受WCDMA网络干扰; 确保新建WCDMA网络覆盖、质量和容量; 确保原有网络不干扰WCDMA网络。 ◆利旧原则 尽量利用原有系统的设备、器件,控制改造成本; 尽量采用原有GSM系统的设计思路。 (2)典型的设计方案 ◆共用总线型 把GSM、WCDMA信号源通过定制的合路器进行合并,经主干路由耦合分配功率,再通过支持相应频宽的分布式天馈系统进行室内覆盖;在功率弱时,使用合路器对信号进行分路,经干放放大、合路进行覆盖,如图3所示: 图3 共用总线型方案 该设计方案特点:系统能量分配预算按衰耗最大的系统进行设计,设计预算简单;GSM、WCDMA功率放大设备需在合路器合路前进行功率适当匹配,才能达到同样的覆盖效果合覆盖范围;在无须或者暂时无法开通WCDMA的室内分布系统中,可将多频合路器中的接口用负载暂时代替;在引入功率放大设备时,为防止系统间干扰,需进行信号分离,系统升级成本较高,增加工程改造难度;为使WCDMA达到覆盖效果,会浪费一部分GSM系统功率,设备功率资源利用不充分。 ◆独立总线型 参照GSM室内覆盖主干路由路径,WCDMA信号源经独立的主干路由,在各覆盖“分区”接点,通过合路器,接入原GSM室内覆盖系统进行覆盖。必要时在接入前,加装功率放大器。如图4所示: 图4 独立总线型方案 该设计方案特点:系统能量分配预算按照GSM、WCDMA系统损耗独立设计,设计预算简单;GSM、WCDMA功率放大设备需在合路器合路前进行功率适当匹配,才能达到同样的覆盖效果和覆盖范围;在无须或者暂时无法开通WCDMA的室内分布系统中,可将多频合路器中的接口用负载暂时代替;由于独立设计主干路由,增加物业和工程改造难度。 4 结束语 本文首先针对GSM/WCDMA共享室内分布系统中存在的问题进行了可行性分析,然后提出了相关技术指标的建议值和典型的设计方案,对时下正热门的2G/3G共享室内分布系统的设计具有一定的参考意义。 参考文献 【1】杨峰义等编著.WCDMA无线网络工程.北京:人民邮电出版社,2004. 【2】3GPPTR25.942.Radio Frequency(RF)system scenarios. 2002,12 【3】3GPPTS05.05.Technical Specification Group GSM/EDGE,Radio transmission and reception. 2002,08 




文章来源于领测软件测试网 https://www.ltesting.net/
版权所有(C) 2003-2010 TestAge(领测软件测试网)|领测国际科技(北京)有限公司|软件测试工程师培训网 All Rights Reserved
北京市海淀区中关村南大街9号北京理工科技大厦1402室 京ICP备10010545号-5
技术支持和业务联系:info@testage.com.cn 电话:010-51297073










