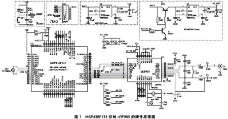
作者:郑州威科姆公司 张晓健 李伟 张小雨 摘要:阐述在低功耗应用中,利用MSP430和nRF905组成一种无线数据传输系统的设计方案。首先对核心芯片的选型和关键使用方法进行简单说明,然后介绍系统硬件和软件的设计,其中着重介绍如何对nRF905进行控制,并给出相关程序源代码。 关键词:无线数据传输低功耗MSP430nRF905 在特殊环境的数据测控应用中,无线数据传输已经越来越广泛地被运用。 MSP430+nRF905的组合特别适合于低功耗、短距离(1OO~200m)、小数据量的无线数传系统。MSP430CPU在低功耗应用方面有很大优势,nRF905无线收发芯片具有功耗低、控制简单、可自动处理字头和CRC校验的优点,两者结合组成的数传系统可以在很多产品中得到应用。 1 MSP430简介 MSP430是TI公司新推出的16位系列单片机,在电池供电的低功耗应用中具有独特的优势。其工作电压在1.8~3.6V之间,正常工作时功耗可控制在2OOμA左右,低功耗模式时可实现2μA甚至O.1μA的低功耗。MSP430具有非常高的集成度,通常在单个芯片上集成有12位的A/D、比较器、多个定时器、片内USART、看门狗、片内振荡器、大量的I/O端口及大容量的片内存储器,一般单片就可以满足大多数的应用需要。在低功耗应用中设计程序时,最好采用以下方法:CPU在初始化完成后,处于低功耗工作模式,在有外部事件发生时唤醒进入中断服务程序,完成后重新进入低功耗模式,照此循环往复,可以最大限度地降低功耗。较差等。上述问题经过精心设计是可以避免和解决的,所以基于GPRS的设计仍具有无可比拟的优势。 2 nRF905简介 nRF905是挪威Nordik公司推出的单片射频收发器芯片,工作电压为1.9~3.6V,32引脚QFN封装(5mm×5mm),工作于433/868/915 MHz 3个ISM频道(可以免费使用)。nRF905可以自动完成处理字头和CRC(循环冗余码校验)的工作,可由片内硬件自动完成曼彻斯特编码/解码,使用SPI接口与微控制器通信,配置非常方便。其功耗非常低,以一10 dBm的输出功率发射时电流只有11 mA,在接收模式时电流为12.5 mA。nRF905传输数据时为非实时方式,即发送端发出数据,接收端收到后先暂存于芯片存储器内,外面的MCU可以在需要时再到芯片中去取。nRF905一次的数据传输量最多为32 B。 2.1nRF905的工作模式及设置 nRF905有两种工作模式和两种节能模式,分别为掉电模式、待机模式、ShockBurstTM接收模式和Shock—BurstTM发送模式。这几种模式由外界CPU通过控制nRF905的3个引脚PWR_UP、TRX_CE和TX_EN的高低电平来决定,如表1所列。 外界MCU通过SPI总线配置nRF905的内部寄存器,读写数据时必须把其置为待机或掉电模式。nRF905在待机模式时功耗为40,μA,在掉电模式时功耗为2.5μA。 2.2nRF905的状态输出 nRF905有3个引脚用于状态输出,分别是:CD(载波检测)、AM(地址匹配)和DR(数据就绪),均为高电平有效。nRF905在处于接收模式时,若检测到接收频率段的载波,就置CD为高;接着检测载波数据中的地址字节,若与本身已配置的接收地址相同,则置AM为高;若再检测到接收数据中的CRC校验正确,则存储有效数据字节,置DR为高。 此外,nRF905还有一个时钟输出引脚uPCLK,供用户选择使用。通过配置内部寄存器,可改变其频率输出,这一点在调试时很有用。无线系统至少需要一发一收两个设备,调试时若出现问题很难判断是哪一方的故障。可以通过修改nRF905的寄存器,用示波器观察uPCLK输出是否变化的方法,来判断其硬件电路和CPU操作nRF905的程序是否正确,从而判断该设备是否工作正常。 2.3nRF905的数据接口 外围MCU通过SPI总线配置nRF905的内部寄存器和收发数据。nRF905的SPI总线包括4个引脚:CSN(SPI使能)、SCK(SPI时钟)、MISO(主人从出)和MOSI(主出从人)。这里nRF905为从机,其SPI的时钟范围很宽,可以从1Hz~10MFIz,因此MCU在写控制程序时不必苛求时间的准确度。 SPI总线的每次操作都必须在使能引脚CSN的下降沿开始,CSN低电平有效,总线上的数据在时钟的上升沿有效。MCU对SPI总线的操作不外乎两种方式:读和写。在进行读操作时,先把CSN置低,然后在MOSI数据线上输出一个表示读命令的字节,与此同时,nRF905会在MISO数据线上输出一字节表示状态信息的数据,随后输出一地址字节,后面跟随有效数据。在进行写操作时比较简单,MCU先把CSN拉低,然后在MOSI线上输出写命令字节和数据字节即可。 2.4nRF905的寄存器配置 nRF905内部有5类寄存器:一是射频配置寄存器,共10个字节,包括中心频点、无线发送功率配置、接收灵敏度、收发数据的有效字节数、接收地址配置等重要信息;二是发送数据寄存器,共32字节,MCU要向外发的数据就需要写在这里;三是发送地址,共4个字节,一对收发设备要正常通信,就需要发送端的发送地址与接收端的接收地址配置相同;四是接收数据寄存器,共32字节,nRF905接收到的有效数据就存储在这些寄存器中,MCU可以在需要时到这里读取;五是状态寄存器,1个字节,含有地址匹配和数据就绪的信息,一般不用。 MCU若要操作这些寄存器,需遵循nRF905规定的操作命令,常用的有以下7种,都是1个字节:写射频配置(OXH,“X”含4位二进制位,该字节表示要开始写的初始字节数)、读射频配置(1XH,“X”含4位二进制位,该字节表示要从哪个字节开始读)、写发送数据(20H)、读发送数据(2lH)、写发送地址(22H)、读发送地址(23H)和读接收数据(24H)。关于寄存器的详细信息可以参阅nRF905的数据手册。 2.5nRF905的工作过程 nRF905在正常工作前应由MCU先根据需要写好配置寄存罨,或是按照默认配置工作。其后的工作主要是两个:发送数据和接收数据。 发送数据时,MCU应先把nRF、905置于待机模式(PWR_UP引脚为高、TRX_CE引脚为低),然后通过SPI总线把发送地址和待发送的数据都写入相应的寄存器中,之后把nRF905置于发送模式(PWR_UP、TRX_CE和TX_EN全置高),数据就会自动通过天线发送出去。若射频配置寄存器中的自动重发位(AuTO_RETRAN)设为有效,数据包就会重复不断地一直向外发,直到MCU把TRX_CE拉低,退出发送模式为止。为了数据更可靠地传输,建议多使用此种方式。 接收数据时,MCU先在nRF905的待机模式中把射频配置寄存器中的接收地址写好,然后置其于接收模式(PWR_UP=1、TRX_CE=1、TX_EN=O),nRF905就会自动接收空中的载波。若收到地址匹配和校验正确的有效数据,DR引脚会自动置高,MCU在检测到这个信号后,可以改其为待机模式,通过SPI总线从接收数据寄存器中读出有效数据。 3 系统硬件设计 MSP43O的USART模块可通过寄存器配置为通用异步串行口或SPI模块功能,这里配置为SPI模块。本系统选用的MCU是MSP430F133,在硬件设计时把MCU的SPI接口和nRF905的SPI接口相连即可,另外再选几个I/O口连接aRF905的输入输出信号,如图1所示。 对于初次接触无线系统的设计者,因其射频部分的元件采购、焊接和调试比较麻烦,可以选用PTR8000模块。该模块内核使用nRF905,硬件电路已经焊好,使用起来相对方便一些。 4 控制程序设计 本系统设计的重点是控制nRF905的程序设计,大致分两个阶段:首先是对nRF905进行初始配置,配置完成后按需要编写数据的发送或接收程序。 4.1初始化配置 阶段应完成初始化配置,分以下几项: ①MSP430的SPI接口设置。MSP430的异步串行接口和SPI接口用同一个uSART模块,这里需要用软件配置为SPI功能。本设计中SPI配置为主机模式、3线制和8位数据。程序源代码参见子程序“SPI_SET”。(编者注:程序源代码见本刊网站www.mesnet.com.cn。) ②初始化nRF905的射频配置寄存器。这些寄存器中有很多信息,必须根据实际情况进行配置,本设计中nRF905外接16MHz晶体,“XOF”应配置为“011”;“PA_PWR”为发射功率,”RX_RED_PWR”为接收灵敏度,可根据需要配置;另外还有发送地址、接收地址、发送数据和接收数据的长度(字节数),可根据实际应用配置。注意这组寄存器中还有接收时的实际地址,而发送地址在其他单独寄存器中。 ③配置nRF905的发送地址,最多4个字节(32位),发送端的发送地址应与接收端设备的接收地址相同。在实际工作中,nRF905可以自动滤除地址不相同的数据,只有地址匹配且校验正确的数据才会被接收,并存储在接收数据寄存器中。 4.2发送数据 使nRF905发送数据前,需要MSP430通过SPI总线在待机模式下先把待发数据填进发送数据寄存器中,一次最多32B。然后把nRF905的“TRX_CE”、“TX_EN”引脚都置为高电平,数据就会自动发送出去。本设计在射频配置寄存器中选定了自动重发位,因此在“TRX_CE”被置高的时间内数据一直在重复不断地发。本程序中设计延时500ms,之后拉低“TRX_CE”引脚,回到待机模式。 4.3接收数据 MSP30把nRF905的“TRX_CE”引脚置为高电平,“TX_EN”引脚拉为低电平后,就开始接收数据。本设计中CPU在设定的35s内一直判断nRF905的“DR”引脚是否变高,若为高,则证明接收到了有效数据,可以退出接收模式,若一直没有接收到,待时间到时也退出接收模式。退出后在待机模式,CPU通过SPI总线把nRF905内部的接收数据寄存器中的数据读出,即接收到的有效数据。编写接收部分程序时,有一点应该注意,很多资料中都没有提到,就是CPU在“M0SI”信号线上发出读命令字节后,在“MISO)”信号线上nRF905会自动返回一字节数据,为本身的状态寄存器信息,后续的接收数据并不会自动跟着输出,只有CPU在“MOSI”上再输出一个字节(可以是随意值),nRF905才会在“MISO”上返回一个字节,CPU再发,nRF905再返回,直到读完为止。

文章来源于领测软件测试网 https://www.ltesting.net/
版权所有(C) 2003-2010 TestAge(领测软件测试网)|领测国际科技(北京)有限公司|软件测试工程师培训网 All Rights Reserved
北京市海淀区中关村南大街9号北京理工科技大厦1402室 京ICP备10010545号-5
技术支持和业务联系:info@testage.com.cn 电话:010-51297073










